Nutplate Installation
We can install nutplates on all rectangular and square enclosures. We can also provide matching covers with compatible attachment hardware. We can also install Nutplates on the outside of the enclosure, if desired. Do you want to purchase individual nutplates and install it yourself? We can also sell you the nutplates and matching hardware but only in increments of 100+ individual pieces per order. Give us a call to find out out more information.
Ordering Information
You must have specify individual part numbers for both the enclosures and the covers. When ordering nutplates, be sure to specify the same pattern for both the enclosure and cover.
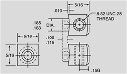
These tolerances shown or specifically for installed positional tolerances of nutplates.
Vertical Dimensions: Measure from open end, ± 0.030
Horizontal Dimension: Measure from any inside surface, ± 0.030
How to order Norpin Enclosures with Nutplates
| Type of Material | Code Letters |
|---|---|
| Aluminum (1100-0)* | AL |
| Brass | BR |
| Copper | CU |
| Cold Roll Steel | CRS |
| Stainless Steel | SS |
*In most cases, 6061-0 AL, 3003H14 AL, or 3003-0 AL can be specified instead of 1100-0 AL.
Norpin Nutplate Configurations
Note: Other Specialized patterns are offered. Please call for additional information on configurations for both inside and outside of enclosures and covers.






